Содержание
Система управления и отображения
Панель дисплея
Отображение кода ошибки и расположение датчиков
При работе холодильника с отклонениями от нормы его можно вручную перевести в режим проверки неисправностей через панель дисплея.
Метод входа: Откройте дверцу холодильника. После того как панель дисплея загорится, нажмите клавишу «Temp Zone» и одновременно нажмите клавишу «Temp Set» 5 раз, чтобы войти в режим отображения кода неисправности и показаний датчиков температуры. После входа в этот режим в области отображения температуры будет показан код неисправности согласно уровню приоритета отображения. Нажмите кнопку «Temp Set», чтобы показать следующий код. После отображения кода неисправности последующие нажатия кнопки «Temp Set» будут поочерёдно показывать фактические температуры датчиков:
- AT SNR (датчик температуры окружающей среды),
- R SNR (холодильный датчик),
- S SNR (датчик чиллера),
- F SNR (датчик морозильной камеры),
- D SNR (датчик оттаивания).
Примечание: если неисправностей нет, то после входа в режим сразу будут отображены фактические температуры каждого датчика.
В следующей таблице показаны способы отображения каждого датчика:
| Датчик | Метод отображения | Отображаемая иконка |
|---|---|---|
| AT SNR | Все иконки в области отображения температуры тёмные. | ![]() |
| R SNR | Область R подсвечена среди всех иконок в области отображения температуры. | ![]() |
| S SNR | Область R подсвечена и мигает среди всех иконок в области отображения температуры. | ![]() |
| F SNR | Область F подсвечена среди всех иконок в области отображения температуры. | ![]() |
| D SNR | Все иконки подсвечены в области отображения температуры. | ![]() |
Примечания: при проверке фактической температуры каждого датчика различайте название текущего отображаемого датчика в соответствии с приведённой выше таблицей.
Область индикации температуры со значением «-88» отображает целую часть фактической температуры текущего датчика.
Десятичная часть фактической температуры отображается с помощью 4 функциональных индикаторов, как показано в следующей таблице:
Способ выхода: после входа в этот режим нажмите кнопку «Temp Zone» ещё раз и удерживайте её в течение 3 секунд, чтобы выйти из режима. Если в течение 2 минут после входа в этот режим не будет нажата ни одна кнопка, выход из режима произойдёт автоматически.
| Датчик | Код ошибки | Описание неисправности | Расположение датчика |
|---|---|---|---|
| AT SNR | F2 | Ошибка датчика температуры двери (короткое замыкание или обрыв цепи) | Корпус двери |
| R SNR | F3 | Ошибка датчика температуры холодильной камеры (короткое замыкание или обрыв цепи) | Воздуховод холодильной камеры |
| F SNR | F4 | Ошибка датчика температуры морозильной камеры (короткое замыкание или обрыв цепи) | Воздуховод морозильной камеры |
| S SNR | F5 | Ошибка датчика температуры секции охлаждения (chiller) (короткое замыкание или обрыв цепи) | Воздуховод секции охлаждения |
| D SNR | F6 | Ошибка датчика температуры испарителя (короткое замыкание или обрыв цепи) | Испаритель |
| — | E0 | Ошибка связи: отсутствие сигнала более 2 минут | — |
| F FAN | E1 | Ошибка вентилятора морозильной камеры: отсутствие сигнала более 10 секунд | — |
| C FAN | E2 | Ошибка вентилятора холодильной камеры: отсутствие сигнала более 10 секунд | — |
| D SNR | Ed | Ошибка разморозки: температура датчика D не достигла 8 °C в течение 90 минут | — |
Графическое отображение местоположения датчиков
| Наименование датчика | Расстояние до верхней части (мм) | Расстояние до правой стороны (мм) | Расстояние до левой стороны (мм) |
|---|---|---|---|
| Датчик температуры окружающей среды | 13 | 286 | 309 |
| Холодильный датчик | 390 | 194 | 401 |
| Датчик морозильной камеры | 1270 | 112 | 483 |
| Датчик охладителя (чиллера) | 912.5 | 203 | 392 |
| Датчик оттаивания | 1275 | 461 | 134 |
Принцип управления электронными компонентами
Система охлаждения вентилятором
- Открытие и закрытие воздушной заслонки (air escaper) контролируется датчиком холодильной камеры — R SNR.
- Воздушная заслонка изначально закрывается, затем один раз открывается; далее её открытие или закрытие регулируется в соответствии с условием (1).
- Если воздушная заслонка остаётся закрытой более одного часа, она автоматически открывается один раз. После этого её работа вновь контролируется датчиком холодильной камеры R SNR.
Функция разморозки
- Холодильник впервые запускает процесс разморозки через 8 часов после начала работы.
- После нормализации работы холодильник будет запускать разморозку:
- через 30 часов работы, если температура окружающей среды превышает 28 °C;
- через 49 часов работы, если температура окружающей среды не превышает 28 °C.
При нормальной работе холодильника:
- если компрессор работает непрерывно 90 минут,
- или после предыдущей разморозки компрессор работает непрерывно 180 минут,
- или воздушная заслонка холодильной камеры остаётся открытой 60 минут,
- или температура датчика морозильной камеры превышает –5 °C, а температура датчика холодильной камеры равна или выше суммы установленной температуры холодильной камеры и 6 °C,
тогда при температуре окружающей среды выше 28 °C холодильник начнёт разморозку через 12 часов работы.
Если температура окружающей среды равна или ниже 28 °C, разморозка начнётся через 25 часов работы.
Если во время работы компрессора воздушная заслонка холодильной камеры никогда не достигает точки закрытия, холодильник перейдёт в режим разморозки через 8 часов.
Когда в процессе разморозки температура датчика разморозки достигает 8 °C, холодильник выходит из режима разморозки.
Во время разморозки компрессор останавливается, а воздушная заслонка холодильной камеры закрыта.
Если процесс разморозки длится более 90 минут, холодильник переходит в режим контроля разморозки через 5 часов работы и продолжает его до тех пор, пока температура датчика разморозки не достигнет 8 °C в течение 90 минут. После этого система возвращается к нормальному циклу разморозки.
При неисправности датчика разморозки (короткое замыкание или обрыв цепи) продукт может войти в режим разморозки и выйти из него после того, как время разморозки превысит 90 минут.
Если время разморозки превышает 90 минут, но температура датчика разморозки не достигает 8 °C, система отключает нагреватель разморозки и отображает код ошибки ED на дисплее холодильной камеры. Данное состояние сохраняется до тех пор, пока в одном из последующих циклов разморозки температура датчика не достигнет 8 °C.
Если продукт находится в режиме быстрой заморозки или быстрого охлаждения, соответствующая иконка будет гореть, однако процесс разморозки продолжится.
Режимы быстрой заморозки и быстрого охлаждения не активируются до завершения текущего цикла разморозки.
Оставшееся время разморозки не засчитывается в продолжительность работы режимов быстрой заморозки или быстрого охлаждения.
Принцип работы системы
Блок-схема холодильного цикла
Холодильная система одноконтурного холодильника с прямым охлаждением относится к категории однотемпературных систем с одним испарителем и управляется одним контроллером температуры.
Визуализированная (наглядная) схема потока холодильного цикла
Схема воздушного потока
Принципиальная схема
Краткая принципиальная схема
- A. Сетевой шнур питания
- B. Датчик температуры холодильной камеры
- C. Датчик температуры камеры охлаждения (Chiller sensor)
- D. Датчик температуры морозильной камеры
- E. Датчик температуры оттаивания (Defrost sensor)
- F. Датчик температуры окружающей среды (Ambient sensor)
- G. Панель индикации (Display panel)
- H. Лампа холодильной камеры (Refrigerator lamp)
- I. Датчик Холла (Hall IC)
- J. Воздушная заслонка (Damper)
- K. Вентилятор морозильной камеры (Freezer Fan Motor)
- L. Предохранитель 1 (Fuse 1)
- M. ТЭН разморозки (Defrost Heater)
- N. Предохранитель 2 (Fuse 2)
- O. Нагреватель дренажного отверстия (Heater near water drain hole)
- P. Термозащита компрессора (Overload protector)
- Q. Компрессор (Compressor)
- R. Пусковое реле PTC (PTC Starter)
- S. Конденсатор (Capacitor)
- T. Плата управления (Control board)
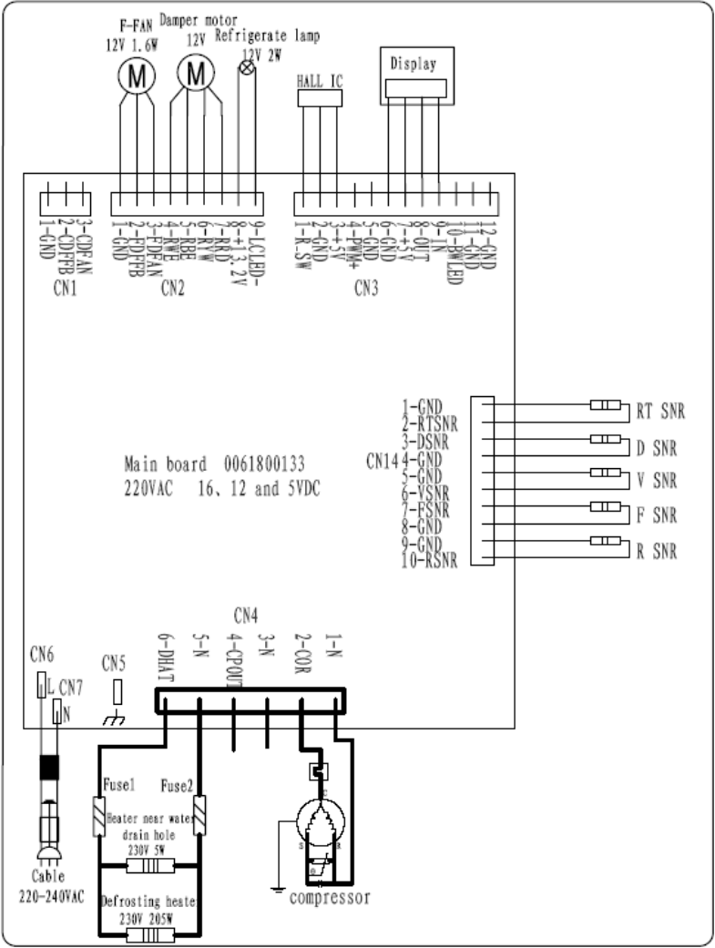
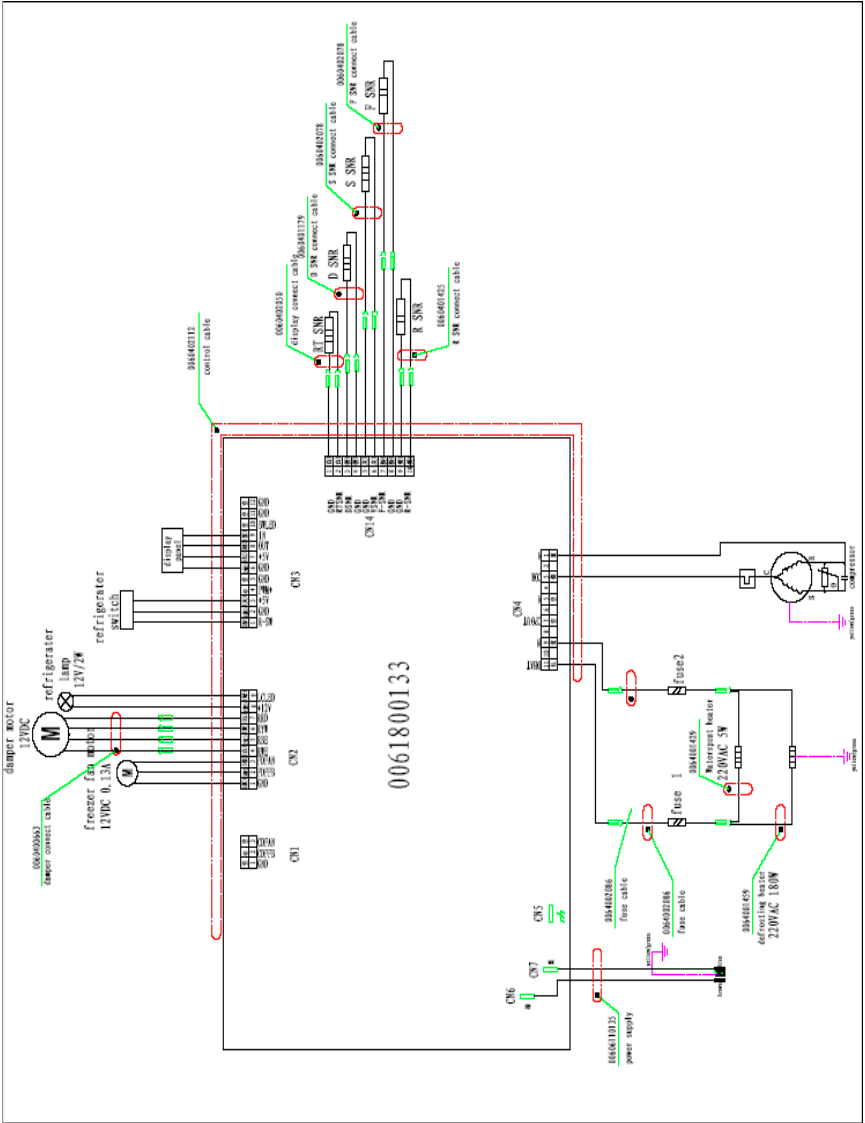
Схема основной платы управления
Быстрая проверка
Режим самодиагностики (Self-Test Mode)
Способ входа:
Откройте дверцу холодильника, одновременно нажмите кнопки «Func.Set» и «OK», затем, удерживая кнопку «OK», нажмите кнопку «Func.Set» 10 раз, чтобы войти в тестовый режим.
Тестовый режим (TEST Mode):
После входа в тестовый режим каждое нажатие клавиши «Func.Set» переключает устройство между этапами:
T1 → T2 → T3 → T4 → Выход (Log out).
TEST1:
Для проверки работы системы охлаждения на дисплее отображается «T1», и устройство в принудительном порядке переходит в режим охлаждения.
- Компрессор работает на высокой скорости.
- Вентилятор (F FAN) — на средней скорости.
- Воздушная заслонка холодильной камеры функционирует в обычном режиме — открывается и закрывается согласно ранее установленному режиму.
- Воздушная заслонка камеры регулировки температуры открывается на 30° и далее работает в соответствии с установленным режимом.
- Нагреватель оттаивания (defrost heater) при этом отключён.
TEST2:
В режиме TEST1, при нажатии клавиши «Func.Set», на дисплее отображается «T2», и устройство принудительно переходит в режим оттаивания.
- Компрессор и вентилятор отключены.
- Нагреватель оттаивания (defrost heater) включён.
- Мощность нагревателя оттаивания должна быть в пределах 205 ± 5 Вт.
При этом:
- Если температура вокруг датчика оттаивания превышает 8 °C, устройство выйдет из режима T2 после работы нагревателя в течение 1 минуты.
- Если температура вокруг датчика оттаивания ниже 8 °C, нагреватель будет работать непрерывно до достижения 8 °C, после чего устройство выйдет из режима T2.
TEST3:
В режиме TEST2, при нажатии клавиши «Func.Set», на дисплее отображается «T3».
Холодильник переходит в обычный режим работы, при этом функция автоматического оттаивания отключена.
Режим T3 сохраняется до выхода из него вручную.
TEST4:
В режиме TEST3, при нажатии клавиши «Func.Set», на дисплее отображается «T4».
В этом режиме все исполнительные элементы холодильника (нагреватель, компрессор, вентиляторы и т. д.) отключаются.
Через 30 секунд устройство автоматически выходит из тестового режима (TEST mode) и возвращается к нормальной работе.
Проверка печатной платы (PCB Checkout)
Схема печатной платы (PCB Diagram)
Фото печатной платы (PCB photo)
Технические данные по подключению модуля управления (PCB Connection Technical Data)
| Компонент | Выводы / цвета проводов | Расположение | Напряжение |
|---|---|---|---|
|
CN1
|
|||
| – | – | – | – |
|
CN2
|
|||
| Вентилятор испарителя | 1. Черный 2. Оранжевый 3. Коричневый |
Внутри воздуховода морозильной камеры | 8–13 В |
| Мотор заслонки | 1. Белый 2. Синий 3. Желтый 4. Красный |
Внутри воздуховода холодильной камеры | 12 В |
| Светодиод холодильной камеры | 1. Фиолетовый 2. Зеленый |
Вверху холодильной камеры | 12 В, 2 Вт |
|
CN3
|
|||
| Выключатель двери холодильной камеры | 1. Розовый 2. Черный 3. Серый |
Корпус двери холодильной камеры | 5 В |
| Управляющая линия для модуля инвертора | 1. Серый 2. Черный |
Подключение к модулю инвертора | 5 В |
| Модуль дисплея | 6. Зеленый 7. Красный 8. Коричневый 9. Синий 10–12. NULL |
Наружная сторона корпуса двери холодильной камеры | 5 В |
|
CN14
|
|||
| Датчик температуры окружающей среды | 1. Белый 2. Белый |
Корпус двери холодильной камеры | 0–5 В |
| Датчик разморозки | 3. Оранжевый 4. Оранжевый |
Капсула, закрепленная на испарителе | 0–5 В |
| Chiller sensor | 5. Серый 6. Серый |
0–5 В | |
| Датчик морозильной камеры | 7. Розовый 8. Розовый |
Воздуховод морозильной камеры | 0–5 В |
| Датчик холодильной камеры (воздуховод) | 9. Желтый 10. Желтый |
Воздуховод холодильной камеры | 0–5 В |
|
CN5
|
|||
| ТЭН | 1. Красный 2. Синий |
Под резервуаром испарителя | 220–240 В |
| Питание модуля инвертора | 3. Коричневый 4. Синий 5–6. NULL |
Питающая линия модуля инвертора | 220–240 В |
Поиск и устранение неисправностей
Неисправности и методы устранения
Продукты в холодильной камере замерзают
Проверка:
-
Убедитесь, что температура в холодильной камере действительно ниже нормы и продукты замерзают.
-
Отсоедините провода заслонки (damper) и светодиодов. Извлеките узел заслонки с блоком воздуховода.
-
Снимите клейкую ленту, разделите блок воздуховода и проверьте герметичность прилегания заслонки к корпусу воздуховода.
-
Если уплотнение герметично, проверьте исправность датчика температуры холодильной камеры (R-SNR).
-
Если датчик исправен, возможна неисправность основной платы управления.
-
Если проводка заслонки исправна, проверьте целостность цепи между разъёмом основной платы и корпусным разъёмом.
При отсутствии обрывов неисправна заслонка.
Решение:
- При неплотном прилегании установите уплотнительную ленту между заслонкой и блоком воздуховода.
- При неисправности датчика температуры (R-SNR) замените его.
- При неисправности основной платы управления замените её.
- При переполюсовке разъёма заслонки — подключите разъём правильно.
- При неисправности заслонки — замените её.
Отсутствует разморозка
Проверка:
-
Перейдите в режим T2 вручную с помощью кнопок на дисплее.
Проверьте, повышается ли температура нагревательного элемента разморозки (ТЭНа).
- Если температура не повышается, снимите крышку вентилятора, проверьте соединения и измерьте напряжение на выводах ТЭНа — должно быть 220–240 В AC.
-
Измерьте сопротивление ТЭНа мультиметром — должно быть около 268 Ω.
-
Измерьте сопротивление термопредохранителя:
- 0 Ω — исправен;
- ∞ (обрыв) — неисправен.
-
Если предыдущие проверки не выявили отклонений, проверьте датчик температуры разморозки (D SNR ) мультиметром.
Решение:
- При отсутствии нагрева замените ТЭН разморозки.
- При обрыве термопредохранителя — замените предохранитель.
- При неисправности датчика — замените датчик температуры разморозки.
- При отсутствии напряжения на ТЭНе — замените основную плату управления.
При подаче питания отсутствует индикация и не запускается холодильник
Проверка:
-
Проверьте правильность подключения сетевого питания.
-
Снимите основную плату управления и визуально проверьте обратную сторону на наличие непропаев или повреждённых дорожек.
-
Проверьте соединение разъёма в петле двери морозильной камеры.
-
Убедитесь, что холодильник не находится в режиме OFF.
Если устройство выключено, нажмите и удерживайте кнопку на плате питания в течение 5 секунд для включения.
Решение:
- При обнаружении непропаев или повреждённых дорожек — восстановите пайку.
- При неплотном подключении разъёма — переподключите разъём.
- При нахождении холодильника в режиме ожидания — включите питание, удерживая кнопку 5 секунд.
Слабое охлаждение, сопровождающееся повышенным шумом
Проверка:
-
Проверьте наличие постороннего шума в морозильной камере.
Снимите крышку вентилятора, закройте воздушную заслонку и проверьте работу вентилятора морозильного отделения.
Примечание: вентилятор не работает при открытой двери холодильного отделения.
Сначала исключите возможность неправильной установки или несрабатывания концевого выключателя двери.
-
Если вентилятор не работает, снимите его и проверьте подключение разъёмов вентилятора и корпусного разъёма.
- Измерьте напряжение между контактами Pin 1 и Pin 3 разъёма CN2 — должно быть около 12 В DC.
- При отсутствии напряжения — неисправна основная плата управления.
- При наличии напряжения — неисправен вентилятор морозильной камеры.
-
Если вентилятор вращается с перебоями или издаёт посторонние звуки — вентилятор неисправен.
Решение:
- При посторонних звуках проверьте надёжность крепления вентилятора, правильность установки лопастей и отсутствие касания проводов.
- При неправильном подключении — отсоедините и подключите разъём повторно.
- При неисправности вентилятора или платы управления — замените неисправный компонент.




0 ответов